Сортировка:
По умолчанию
Отображение:
Товаров:
12
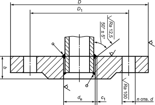
Экономным решением для разборного соединения является применение плоских фланцев по ГОСТ 12820-80 или типа 01 по ГОСТ 33259—2015 .
Заготовкой для плоского фланца может служить круг, распиленный на ленточнопильном станке, лист, полоса, прокатанная на вальцах а также кованая заготовка для больших диаметров фланцев.
Неудобство в монтаже заключается в необходимости проварки двух швов: с внутренней стороны фланца и наружной. Что компенсируется более низкой ценой самого фланцы ввиду меньшей материалоемкости и технологически более простых процессов обработки.
Фланцы по ГОСТ 12820-80 или типа 01 по ГОСТ 33259—2015 применяются на условное давление Ру от 0,1 до 2,5 МПа (от 1 до 25 кгс/см2) и температуру среды от 20 до 873 К (от минус 253 до плюс 600 °С).
Фланцы предназначены для применения в соединениях с эластичными, металлическими зубчатыми, линзовыми, спирально-навитыми, асбометаллическими.
Уплотнительные поверхности по ГОСТ 33259—2015 применяются с исполнением А, В, C, D, E, F, L и M.

















