Сортировка:
По умолчанию
Отображение:
Товаров:
12
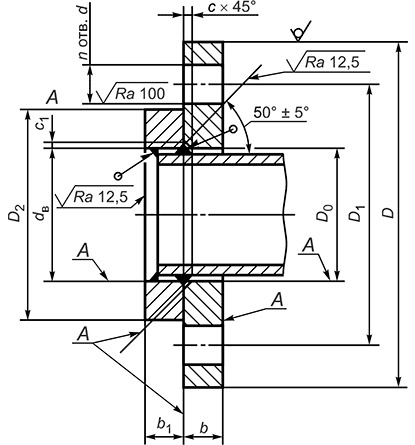
Применение соединения по ГОСТ 12822-80 или типа 02 по ГОСТ 33259—2015 с кольцом и свободным фланцем может быть обосновано в разных случаях, например, в часто разбираемых соединениях или переносных конструкциях, а также при использовании разных материалов трубопровода и свободного фланца.
Кольца должны изготовляться с уплотнительными поверхностями исполнений 1, 2, 3 и присоединительными размерами по ГОСТ 12815-80. В технически обоснованных случаях допускается изготовление колец с уплотнительными поверхностями исполнений 4, 5, 8 и 9, по ГОСТ 33259—2015 Кольца должны изготавливаться с уплотнительными поверхностями исполнений А, В, C, D, E, F, L и M
Фланцы по ГОСТ 12822-80 или типа 02 по ГОСТ 33259—2015 применяются на условное давление Ру от 0,1 до 2,5 МПа (от 1 до 25 кгс/см2) и температуру среды от 20 до 873 К (от минус 253 до плюс 600 °С).

















